-
آشکارساز چند گازی قابل حمل
-
آشکارساز گاز تنها قابل حمل
-
ردیاب گاز شخصی
-
ردیاب گاز ثابت
-
آنالیز کننده گاز دودکش
-
ایستگاه های کنترل کیفیت هوا
-
آنالیز کننده گاز اگزوز
-
شمارنده ذرات معلق در هوا
-
آشکارساز متان لیزری
-
آنالیز آنلاین مادون قرمز Syngas
-
ردیاب گاز مادون قرمز Open Path
-
دزدگیر گاز خانگی
-
مانیتورهای کیفیت هوای داخلی
-
کنترل کننده تشخیص گاز
-
لوازم جانبی ردیاب گاز
-
دستگاه تست صداقت
-
ابزار کیفیت و خلوص هوا فشرده شده
-
حسگر کشنده گاز
-
دوراسلام، من قبلا از تجهیزات یک کارخانه ذوب آلومینیوم در مکزیک استفاده کردم و از عملکرد دستگاه لیزر شرکت شما شگفت زده شدم. -
سیلویاابزار تشخیص نشت گاز خوب !!! مقادیر تست دقیق بالا :D
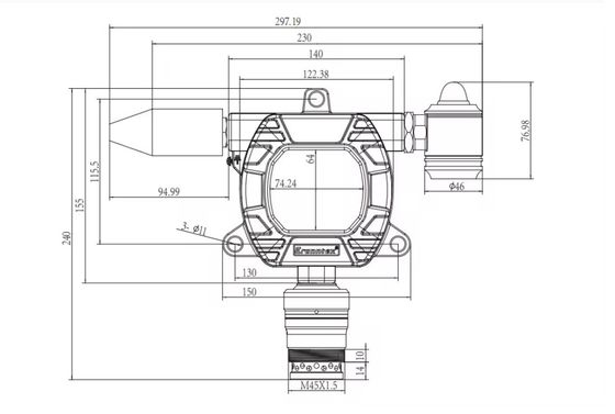
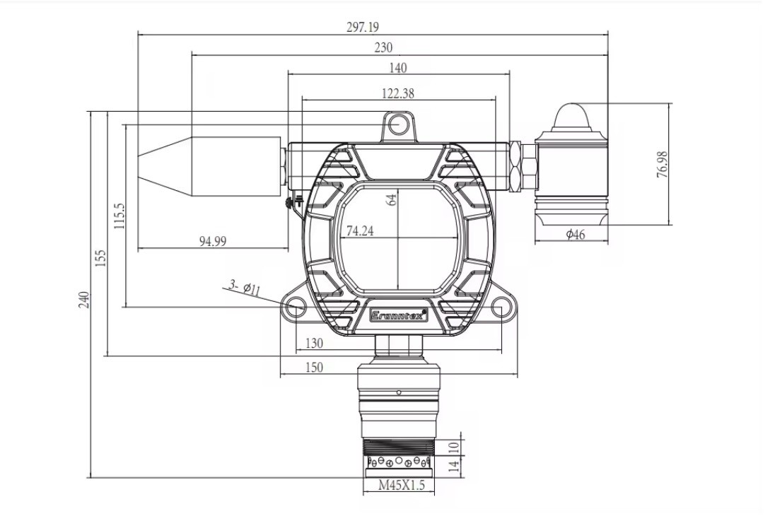
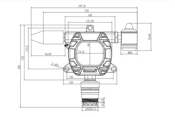
MIC600-O2/CO/H2S/LEL دستگاه تشخیص گاز ثابت
برای نمونه و کوپن رایگان با من تماس بگیرید.
واتساپ:0086 18588475571
وی چت: 0086 18588475571
اسکایپ: sales10@aixton.com
اگر نگرانی دارید، ما به صورت آنلاین 24 ساعته راهنمایی می کنیم.
x| محدوده زاویه دید | 90 درجه | محدوده سنسور | 0-250ppm |
|---|---|---|---|
| گاز قابل اجرا | آرگون | استانداردها | کلاس I، بخش 1، گروه های A، B، C، D |
| مواد پوسته | آلومینیوم | رطوبت عملیاتی | 10-95 ٪ RH (غیرقانونی) |
| هراس | آلارم صوتی و تصویری، خروجی رله، خروجی 4-20 میلی آمپر | رطوبت کاری | 0-95٪ RH |
| برجسته کردن | دستگاه تشخیص گاز ثابت MIC600-O2,LEL دستگاه تشخیص گاز چندگانه ثابت,دستگاه تشخیص گاز ثابت H2S,LEL Fixed Multi Gas Detector,H2S Fixed Gas Detector |
||
MIC600-O2/CO/H2S/LEL آشکارساز گاز چندگانه ثابت
توضیحات محصول:
این آشکارساز گاز چندگانه ثابت که با منبع تغذیه 24 ولت DC (با محدوده -15٪ تا +20٪) کار میکند، قادر به تشخیص طیف وسیعی از گازها از جمله PPM، Mg/m3، Vol%، LEL%، PPHM، Ppb و Mg/l است. این تطبیقپذیری آن را به یک راهحل ایدهآل برای انواع تنظیمات صنعتی از جمله کارخانههای شیمیایی، پالایشگاههای نفت و تأسیسات تصفیه فاضلاب تبدیل میکند.
علاوه بر قابلیتهای تشخیص واحد گاز متنوع، این آشکارساز گاز ثابت، رطوبت عملیاتی بالایی را نیز ارائه میدهد، با محدوده 10-95٪ RH (غیر متراکم). این بدان معناست که میتوان از آن در محیطهای مختلف از جمله محیطهایی با رطوبت یا رطوبت بالا استفاده کرد.
یکی از مزایای کلیدی این آشکارساز گاز چندگانه ثابت، زمان پاسخ سریع آن است که ≤30 ثانیه است. این بدان معناست که میتواند به سرعت و با دقت وجود گازهای بالقوه خطرناک را در محیط تشخیص دهد و امکان اقدام سریع برای کاهش هرگونه خطر یا ریسک را فراهم میکند.
به طور کلی، آشکارساز گاز ثابت یک راهحل قابل اعتماد و مؤثر برای نظارت بر سطح گاز در یک مکان ثابت است. با ساختار بادوام، قابلیتهای تشخیص واحد گاز متنوع، سطح بالای رطوبت عملیاتی و زمان پاسخ سریع، یک انتخاب ایدهآل برای انواع کاربردهای صنعتی است.
ویژگیها:
- نام محصول: آشکارساز گاز ثابت
- دمای عملیاتی: 20- درجه سانتیگراد تا 50 درجه سانتیگراد
- استانداردها: کلاس I، بخش 1، گروههای A، B، C، D
- هشدار: آلارمهای صوتی و تصویری، خروجی رله، خروجی 4-20mA
- حفاظت از نفوذ: IP66
- رطوبت کاری: 0-95٪ RH
این مانیتور گاز آنلاین ثابت یک آشکارساز گاز در زمان واقعی است که با استانداردهای کلاس I، بخش 1، گروههای A، B، C، D مطابقت دارد. دارای آلارمهای صوتی و تصویری، خروجی رله و خروجی 4-20mA است. با درجه حفاظت از نفوذ IP66، میتواند در برابر محیطهای خشن مقاومت کند. همچنین در محدوده رطوبت کاری 0-95٪ RH کار میکند.
پارامترهای فنی:
| پارامتر فنی | شرح |
|---|---|
| نام محصول | آشکارساز گاز ثابت |
| نوع محصول | فرستنده گاز آنلاین |
| رطوبت عملیاتی | 10-95٪ RH (غیر متراکم) |
| منبع تغذیه سیستم | 24 ولت DC (-15٪ ~ +20٪) |
| زمان پاسخ | ≤30 ثانیه |
| محدوده زاویه دید | 90 درجه |
| محدوده سنسور | 0-250ppm |
| هشدار | آلارمهای صوتی و تصویری، خروجی رله، خروجی 4-20mA |
| حفاظت از نفوذ | IP66 |
| واحد گاز | PPM، Mg/m3، Vol%، LEL%، PPHM، Ppb، Mg/l |
| رطوبت کاری | 0-95٪ RH |
| شاخص | LED |
کاربردها:
یکی از رایجترین کاربردها برای این آشکارساز گاز ثابت در تنظیمات صنعتی است. از کارخانههای تولیدی گرفته تا تأسیسات تولید مواد شیمیایی، این هشدار گاز برای کسانی که میخواهند از کارگران خود در برابر گازهای خطرناک محافظت کنند، ضروری است. این میتواند طیف وسیعی از گازها از جمله متان، هیدروژن، آمونیاک و مونوکسید کربن را تشخیص دهد و آن را به یک گزینه همه کاره برای بسیاری از صنایع مختلف تبدیل میکند.
یکی دیگر از کاربردهای رایج برای MIC600 در صنعت نفت و گاز است. با توانایی تشخیص گازهای انفجاری مانند پروپان و بوتان، این آشکارساز گاز چندگانه ثابت یک ابزار ضروری برای کسانی است که در پالایشگاههای نفت یا تأسیسات تولید گاز طبیعی کار میکنند. همچنین میتواند گازهای سمی مانند سولفید هیدروژن را که میتواند در غلظتهای بالا کشنده باشد، تشخیص دهد.
آشکارسازهای گاز ثابت مانند MIC600 نیز معمولاً در تنظیمات تجاری استفاده میشوند. به عنوان مثال، آنها اغلب در پارکینگها برای تشخیص مونوکسید کربن که میتواند از دود اگزوز خودرو جمع شود، نصب میشوند. همچنین میتوان از آنها در آزمایشگاهها برای تشخیص مواد شیمیایی خطرناک یا در کارخانههای فرآوری مواد غذایی برای نظارت بر گازهایی مانند دیاکسید نیتروژن استفاده کرد.
در نهایت، MIC600 یک انتخاب محبوب برای تنظیمات مسکونی است. صاحبان خانه میتوانند از آن برای تشخیص مونوکسید کربن در خانههای خود استفاده کنند، که یک قاتل خاموش است که تشخیص آن بدون یک آشکارساز گاز تخصصی دشوار است. همچنین میتوان از آن برای تشخیص نشت گاز طبیعی استفاده کرد که در صورت عدم تشخیص میتواند خطرناک باشد.
به طور کلی، آشکارساز گاز چندگانه ثابت Zetron MIC600 یک هشدار گاز با کیفیت بالا است که برای طیف گستردهای از کاربردها مناسب است. با حسگرهای قابل اعتماد، پوسته آلومینیومی بادوام و صفحه نمایش خوانا، برای هر کسی که نیاز به نظارت بر گازهای بالقوه خطرناک دارد، ضروری است. به علاوه، با حداقل مقدار سفارش فقط یک، یک گزینه مقرون به صرفه برای افراد یا مشاغل است.

